首页 > 产品选型 > 单相固态继电器 > > SSR系列单相固态继电器直流控交流或交流控交流10A-120A
SSR系列单相固态继电器直流控交流或交流控交流10A-120A
SSR系列单相固态继电器直流控交流或交流控交流10A-120A
SSR系列单相固态继电器直流控交流或交流控交流10A-120A
SSR系列单相固态继电器直流控交流或交流控交流10A-120A
SSR系列单相固态继电器直流控交流或交流控交流10A-120A
SSR系列单相固态继电器直流控交流或交流控交流10A-120A
SSR系列单相固态继电器直流控交流或交流控交流10A-120A
SSR系列单相固态继电器直流控交流或交流控交流10A-120A
SSR系列单相固态继电器直流控交流或交流控交流10A-120A
SSR系列单相固态继电器直流控交流或交流控交流10A-120A
SSR系列单相固态继电器直流控交流或交流控交流10A-120A
• 控制回路和负载回路之间的光电隔离
• 可以选择过零输出或随机开启
• 国际标准化安装尺寸
• LED 指示工作状态
• 内置RC吸收电路,抗干扰能力强
• 环氧树脂灌封,防腐防爆能力强
• DC 3-32VDC 或 AC 90-280VAC 输入控制
产品型号构成
产品选择

A. 控制电压3-32VDC工作电压为480VACZ”或480VACR


工作电流

过零控型

随机控型

10Amps

SSR10DA48Z

SSR10DA48R

25Amps

SSR25DA48Z

SSR25DA48R

40Amps

SSR40DA48Z

SSR40DA48R

60Amps

SSR60DA48Z

SSR60DA48R

80Amps

SSR80DA48Z

SSR80DA48R

100Amps

SSR100DA48Z

SSR100DA48R

120Amps

SSR120DA48Z

SSR120DA48R


B.控制电压90-280V工作电压为480VAC“Z”或480VAC“R”


工作电

过零控型

随机控型

10Amps

SSR10AA48Z

SSR10AA48R

25Amps

SSR25AA48Z

SSR25AA48R

40Amps

SSR40AA48Z

SSR40AA48R

60Amps

SSR60AA48Z

SSR60AA48R

80Amps

SSR80AA48Z

SSR80AA48R

100Amps

SSR100AA48Z

SSR100AA48R

120Amps

SSR120AA48Z

SSR120AA48R

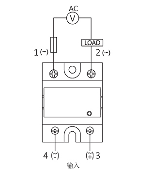
线路图

技术参数

控制方式

直流控交流

控制电压

3-32VDC

控制方式

交流控交流

控制电压

90-280VAC

控制电压

3-32VDC

负载电压

24-480VAC

通态降压

1.6V

通态时间

10ms

断态漏电流

8mA

环境温度

-30+80

尺寸图



使用注意事项
输入工作条件
◆注意工作电压的范围和正负极。
◆为确保固态继电器正常工作,环境温度较低时应加大输入电流,温度较高时应减少输入电流。
◆用集成电路直接驱动SSR时应有足够的带载能力和尽可能低的“0”电平输出。
输出工作系件
◆为确保SSR的可靠工作必须正确使用SSR的极限参数及采取必要的保护措施。
◆峰值电压选择:电感负载;取线路电压(有效值)的确1-3。纯电阻负载:取线路电压(有效值)的1-2倍。
◆压敏电阻的选用:压敏电阳的标称工作电压值按SSR工作电压有效的1.8-2倍选取。
◆工作电流5A以下的产品尽量安装在通风较好的散热窗旁边,或自然风能吹到的地方。
◆工作电流10A以上的产品必须安装散热器,继电器与散热器之问加上导热硅脂才能良好散热,散热器表面温度接近60°C时应强迫风冷。
◆为了避免固态继电器的温升超过允许值,设计应用时应充分考虑散热效果和安装位置,当两只或多只固态继电器并排安装时,应留有适当大的间隙

提交询盘

提交
重置