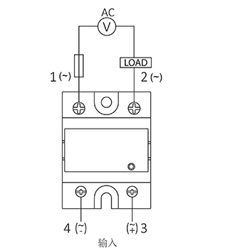
• 控制回路和负载回路之间的光电隔离
• 可以选择过零输出或随机开启
• 国际标准化安装尺寸
• LED指示工作状态
• 内置RC吸收电路,抗干扰能力强
• 环氧树脂灌封,防腐防爆能力强
• DC 3-32VDC 或 AC 90-280 VAC 输入控制
• 控制回路和负载回路之间的光电隔离
• 可以选择过零输出或随机开启
• 国际标准化安装尺寸
• LED指示工作状态
• 内置RC吸收电路,抗干扰能力强
• 环氧树脂灌封,防腐防爆能力强
• DC 3-32VDC 或 AC 90-280 VAC 输入控制
A. 控制电压3-32VDC工作电压为480VAC“Z”或480VAC“R”
|
工作电流 |
过零控型号 |
随机控型号 |
|
10Amps |
VSG10DA48Z |
VSG10DA48R |
|
25Amps |
VSG25DA48Z |
VSG25DA48R |
|
40Amps |
VSG40DA48Z |
VSG40DA48R |
|
60Amps |
VSG60DA48Z |
VSG60DA48R |
|
80Amps |
VSG80DA48Z |
VSG80DA48R |
|
100Amps |
VSG100DA48Z |
VSG100DA48R |
|
120Amps |
VSG120DA48Z |
VSG120DA48R |
B. 控制电压90-280VAC工作电压为480VAC“Z”或480VAC“R”
|
工作电流 |
过零控型号 |
随机控型号 |
|
10Amps |
VSG10AA48Z |
VSG10AA48R |
|
25Amps |
VSG25AA48Z |
VSG25AA48R |
|
40Amps |
VSG40AA48Z |
VSG40AA48R |
|
60Amps |
VSG60AA48Z |
VSG60AA48R |
|
80Amps |
VSG80AA48Z |
VSG80AA48R |
|
100Amps |
VSG100AA48Z |
VSG100AA48R |
|
120Amps |
VSG120AA48Z |
VSG120AA48R |
|
控制方式 |
直流控交流 |
控制电压 |
3-32VDC |
|
控制方式 |
交流控交流 |
控制电压 |
90-280VAC |
|
控制电压 |
3-32VDC |
负载电压 |
24-480VAC |
|
通态降压 |
≤1.6V |
通态时间 |
≤10ms |
|
断态漏电流 |
≤8mA |
环境温度 |
-30℃+80℃ |

使用注意事项
输入工作条件:
◆注意工作电压的范围和正负极。
◆为确保固态继电器正常工作,环境温度较低时应加大输入电流,温度较高时应减少输入电流。
◆用集成电路直接驱动SSR时应有足够的带载能力和尽可能低的“0”电平输出。
输出工作系件:
◆为确保SSR的可靠工作必须正确使用SSR的极限参数及采取必要的保护措施。
◆峰值电压选择:电感负载;取线路电压(有效值)的确1-3。纯电阻负载:取线路电压(有效值)的1-2倍。
◆压敏电阻的选用:压敏电阳的标称工作电压值按SSR工作电压有效的1.8-2倍选取。
◆工作电流5A以下的产品尽量安装在通风较好的散热窗旁边,或自然风能吹到的地方。
◆工作电流10A以上的产品必须安装散热器,继电器与散热器之问加上导热硅脂才能良好散热,散热器表面温度接近60°C时应强迫风冷。
◆为了避免固态继电器的温升超过允许值,设计应用时应充分考虑散热效果和安装位置,当两只或多只固态继电器并排安装时,应留有适当大的间隙
提交询盘