首页 > 产品选型 > 工业级固态继电器 > > VSM系列工业级固态继电器 直流控交流60A-150A
VSM系列工业级固态继电器 直流控交流60A-150A
VSM系列工业级固态继电器 直流控交流60A-150A
VSM系列工业级固态继电器 直流控交流60A-150A
VSM系列工业级固态继电器 直流控交流60A-150A
VSM系列工业级固态继电器 直流控交流60A-150A
VSM系列工业级固态继电器 直流控交流60A-150A
VSM系列工业级固态继电器 直流控交流60A-150A
VSM系列工业级固态继电器 直流控交流60A-150A
VSM系列工业级固态继电器 直流控交流60A-150A
VSM系列工业级固态继电器 直流控交流60A-150A
VSM系列工业级固态继电器 直流控交流60A-150A

单刀单掷一常开式 条形结构安装使用方便。

开关型式分为过零导通型和随机导通型。

高dv/dt适合于感性负载。

输入/输出绝缘2500V。

控制电压 3-32V或90-280VAC 。

VRRM≥1200V, 可使用在480V交流电路里。

LED输入显示。

• 双SCR反并联功率输出芯片焊接技术热性能好寿命长。

产品型号构成
产品选择

A. 控制电压3-32VDC工作电压为480VACZ”或480VACR


工作电流

过零控型号

随机控型号

60Amps

VSM60DA48Z

VSM60DA48R

80Amps

VSM80DA48Z

VSM80DA48R

100Amps

VSM100DA48Z

VSM100DA48R

120Amps

VSM120DA48Z

VSM120DA48R

150Amps

VSM150DA48Z

VSM150DA48R


B. 控制电压90-280VAC工作电压为480VACZ”或480VACR


工作电流

过零控型号

随机控型号

60Amps

VSM60AA48Z

VSM60AA48R

80Amps

VSM80AA48Z

VSM80AA48R

100Amps

VSM100AA48Z

VSM100AA48R

120Amps

VSM120AA48Z

VSM120AA48R

150Amps

VSM150AA48Z

VSM150AA48R


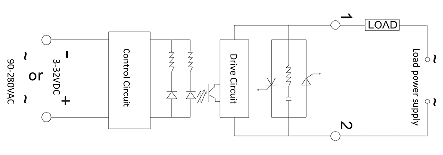
线路图

技术参数

输入参数


控制方式

直流控交流

交流控交流

控制电压范围

3 to 32Vdc

90 to 280Vac

输入电流 (Max.)

13/16mAdc @=5V/12V

29mAac @=220V

开通电压(Max.)

3Vdc

90Vac

关断电压(Min)

1Vd

10Vac

反向电压(Max.)

32Vdc

/


输出参数


输出参数

单位

参数值

标称电流

Amp

60-150A

负载电流范围

Arms

0.05 to 150

负载电压范围

Vrms

24-480

频率范围

Hz

47to 63

断态漏电流(Max.)

mArms

≤8

通态压降(Max.)

Vrms

1.6

开通时间(Max.)" 零控'

Cycle

1/2

开通时间(Max.)" 随机控'

mSec

1

环境温度范围

°C

-30°C to +80°C




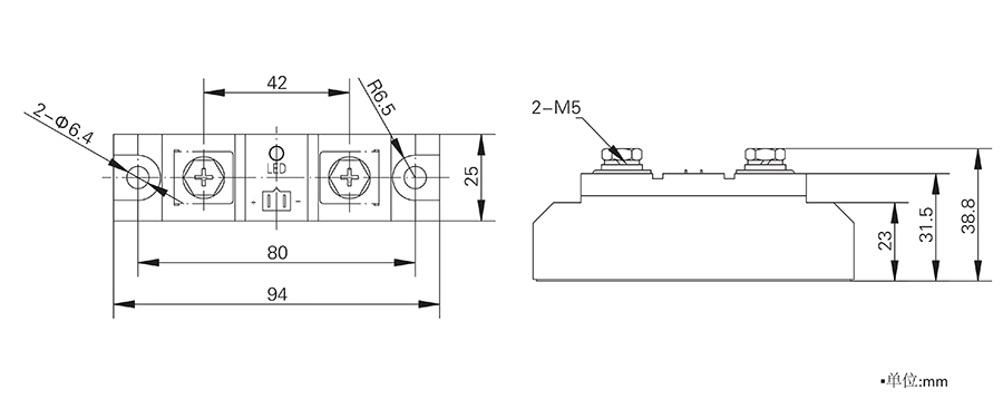
尺寸图

提交询盘

提交
重置